Kurt hat geschrieben:Lagrange hat geschrieben:Das Schaltbild steht da oben.
Und was zeigt dieses Schaltbild?
Wird da simuliert?
Kurt
.

Kurt hat geschrieben:Lagrange hat geschrieben:Das Schaltbild steht da oben.
Und was zeigt dieses Schaltbild?
Wird da simuliert?
Kurt
.


Das sagte ich gerade zu dir, du Esel.Kurt hat geschrieben:Schau dir mal eine solche genau an.
Klar doch, der funktionierte ja zu meiner vollsten zufriedenheit. Und zwar ganz ohne OV oder hochohmige Vorwiderstände, dafür aber recht Kurzschlußsicher und ohne größere Spannungsverluste.Kurt hat geschrieben:Was ist, hast du den Addierer beiseite gelegt
Lagrange hat geschrieben:
Kannst du mit diesem Bild etwas anfangen?
Lagrange hat geschrieben:
Kannst du mit diesem Bild etwas anfangen?
Sciencewoken hat geschrieben:...
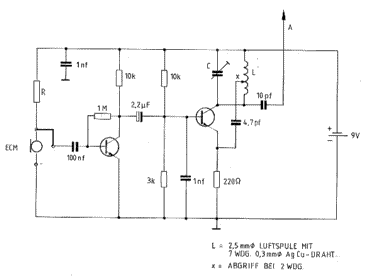
Bei der Zweiten ists etwa das Gleiche und über eine Spule mit Abgriff sowie ein Condenser Mic und einen Drehkondensator verfügt Yenka schon gar nicht - schade eigentlich.
Kurt hat geschrieben:Lagrange hat geschrieben:
Kannst du mit diesem Bild etwas anfangen?
Dieser FM-Sender kommt nachher dran.
Zuerst "analysieren" wir diesen sog. AM-Sender, diese, lerntechnisch betrachtete, Katastrophe.
Kurt
.
Sciencewoken hat geschrieben:Das sagte ich gerade zu dir, du Esel.Kurt hat geschrieben:Schau dir mal eine solche genau an.Klar doch, der funktionierte ja zu meiner vollsten zufriedenheit. Und zwar ganz ohne OV oder hochohmige Vorwiderstände, dafür aber recht Kurzschlußsicher und ohne größere Spannungsverluste.Kurt hat geschrieben:Was ist, hast du den Addierer beiseite gelegt
Sciencewoken hat geschrieben:Was aber hingegen nicht funktionierte, war deine Demonstration, wie ein Reihenschwingkreis einen Parallelschwingkreis kompensiert, wie du es sagtest. Die 5,1 Kiloohm zwischen beiden Kreisen war schlicht zu hoch, als das sie sich beeinflussen konnten.
Ja klar. Und vor der Zeit der integrierten Schaltkreise haben Frequenzaddierer natürlich nie funktioniert.Kurt hat geschrieben:Tolle Aussage!
Kernstück dieses Addierers ist der OP.
Kurt hat geschrieben:Das du meine Demonstration nicht kapiert hast ist klar, es war nämlich gar keine solche wie du sie hineininterpretierst.
Sciencewoken hat geschrieben:Kurt hat geschrieben:Tolle Aussage!
Kernstück dieses Addierers ist der OP.
Ja klar.
Sciencewoken hat geschrieben:Und vor der Zeit der integrierten Schaltkreise haben Frequenzaddierer natürlich nie funktioniert.![]()
Sciencewoken hat geschrieben:Kurt hat geschrieben:Das du meine Demonstration nicht kapiert hast ist klar, es war nämlich gar keine solche wie du sie hineininterpretierst.
Ach so... Ich habe mal wieder etwas nicht kapiert...
Sciencewoken hat geschrieben:Hier hast du also nicht steif und fest behauptet, dass sich die beiden Schwingkreise gegenseitig beeinflussen, um hier meiner Feststellung zustimmen zu müssen, dass sie dies nicht tun, weil der Widerstand von 5,1k zwischen ihnen das nicht zulässt, was ich damit belegt hatte, zuerst die Widerstände getauscht, dann den Saugkreis kurzgeschlossen und zuletzt ganz entfernt habe. Deine Par-Kreis-Kompensation mittels Saugkreis funktionierte einfach nicht und das ist offensichtlich etwas, was du nicht kapierst.
Mitglieder in diesem Forum: 0 Mitglieder und 8 Gäste