AM-Modulation

Hier kann man seine Meinungen zum Forum und andere Neuigkeiten mitteilen

Re: AM-Modulation

Beitragvon Lagrange » Fr 12. Jun 2020, 18:55

Aber nur bei Kurzschluss.
Lagrange
 
Beiträge: 17794
Registriert: Mi 11. Feb 2009, 23:13

Re: AM-Modulation

Beitragvon Kurt » Fr 12. Jun 2020, 19:50

Lagrange hat geschrieben:Aber nur bei Kurzschluss.


Immer.

Kurt

.
Kurt
 
Beiträge: 21784
Registriert: Sa 7. Nov 2009, 14:07
Wohnort: Bayern

Re: AM-Modulation

Beitragvon Lagrange » Fr 12. Jun 2020, 19:57

Im Bezug auf Erde?
Lagrange
 
Beiträge: 17794
Registriert: Mi 11. Feb 2009, 23:13

Re: AM-Modulation

Beitragvon Kurt » Fr 12. Jun 2020, 19:58

Lagrange hat geschrieben:Im Bezug auf Erde?


Zwischen Spule und Kondensator, so wie du gesagt hast.

Kurt

.
Kurt
 
Beiträge: 21784
Registriert: Sa 7. Nov 2009, 14:07
Wohnort: Bayern

Re: AM-Modulation

Beitragvon Lagrange » Fr 12. Jun 2020, 20:03

Dann habe ich falsch gesagt. Ich spreche vom Punkt "100" bzw. "u100".

Bild
Lagrange
 
Beiträge: 17794
Registriert: Mi 11. Feb 2009, 23:13

Re: AM-Modulation

Beitragvon Kurt » Fr 12. Jun 2020, 20:08

Lagrange hat geschrieben:Dann habe ich falsch gesagt. Ich spreche vom Punkt "100" bzw. "u100".

Bild


Es ist eine gemeinsame Betrachtung angesagt.

Ich werfe mal in die Arena:

Seriell und parr ist funktionsmässig und indirekt auch schaltungsmässig identisch.

Kurt


.
Kurt
 
Beiträge: 21784
Registriert: Sa 7. Nov 2009, 14:07
Wohnort: Bayern

Re: AM-Modulation

Beitragvon Sciencewoken » Fr 12. Jun 2020, 20:14

Kurt hat geschrieben:Ich werfe mal in die Arena:

Seriell und parr ist funktionsmässig und indirekt auch schaltungsmässig identisch.

Und ich werfe mal in die Arena und sage das ist Quatsch.
Sciencewoken
 
Beiträge: 8701
Registriert: Mo 14. Okt 2019, 09:52

Re: AM-Modulation

Beitragvon Kurt » Fr 12. Jun 2020, 20:22

Sciencewoken hat geschrieben:
Kurt hat geschrieben:Ich werfe mal in die Arena:

Seriell und parr ist funktionsmässig und indirekt auch schaltungsmässig identisch.

Und ich werfe mal in die Arena und sage das ist Quatsch.


Macht nichts, hast du schon öfter gesagt.

Hier ein Bild.

Bild_Saugkreis_2f.png
Bild_Saugkreis_2f.png (10.16 KiB) 2103-mal betrachtet


A und B und C sind funktionsmässig identisch.


Kurt

.
Kurt
 
Beiträge: 21784
Registriert: Sa 7. Nov 2009, 14:07
Wohnort: Bayern

Re: AM-Modulation

Beitragvon Lagrange » Fr 12. Jun 2020, 20:41

Du hast 3 mal gleiche Zeichnung gemacht. Es fehlt Parallelschwingkreis.
Lagrange
 
Beiträge: 17794
Registriert: Mi 11. Feb 2009, 23:13

Re: AM-Modulation

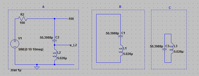
Beitragvon Kurt » Fr 12. Jun 2020, 20:44

Kurt hat geschrieben:A und B und C sind funktionsmässig identisch.



Nun kommt noch der 100 Ohm dazu.

Bild_Saugkreis_2g.png
Bild_Saugkreis_2g.png (16.01 KiB) 2096-mal betrachtet


Funktionsmässig immer noch gleich.

Gezeichnet gehört der R unterhalb dem C.
Ist aber unwichtig: Strom in der Reihenschaltung ist überall gleich.

Kurt

.
Kurt
 
Beiträge: 21784
Registriert: Sa 7. Nov 2009, 14:07
Wohnort: Bayern

VorherigeNächste

Zurück zu Allgemeines

Wer ist online?

Mitglieder in diesem Forum: 0 Mitglieder und 5 Gäste